Uncoiler →Guide device→Straightening→Hydraulic press breach device → roll forming machine → hydraulic punch →shear device (including knife)→ finished product rack
Product Description
Expressway guard rail making machine
Guard rail making go through
Uncoiler →Guide device→Straightening→Hydraulic press breach device → roll forming machine → hydraulic punch →shear device (including knife)→ finished product rack
Guardrail roll forming machine Parameter
| Usage | Highway Guardrail Production |
| Steel Material | Cold-rolled strip steel, Galvanized sheet |
| Material Thickness | 3.0-4.5mm |
| Yield Strength | Q250-300MPa |
| Forming Product width | 310/506mm |
| Forming Speed | 8-12m/min |
| Forming Mail Power (KW) | 18.5KW*2PCS |
| Hydraulic Power (KW) | 30KW |
| Voltage | Customizable |
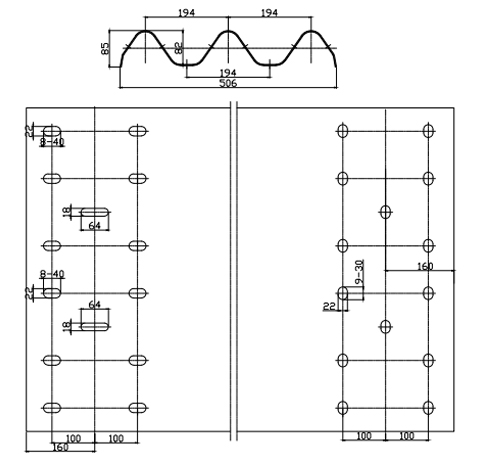
Express Way Guardrail Drawing

Guard rail production line Hydraulic hole punching system
Function: Hydraulic punch breach (Mould 1 set)
Structure: set the length, automatic length measurement, automatic positioning reaches the set distance stop action , hydraulic cylinder driven punching die, stamping automatic shutdown.
Hydraulic system working pressure: 16MPa
Hydraulic station: 30KW( Hydraulic punch hole/shear use same station)
Main Forming machines (for panel width 310/506mm )
Forming Roller: 19 stations,and add Rub-roll, To make sure the surface profile no scratches.
Gateway Panel: T.50mm steel, Heavy duty 。
Rolling speeding: 8-12 m/min。
Roller material: GCr15,overall quenching, hardness HRC56-62 ℃.
Motor power: 18.5KW*2PCS。
Main Roller: ¢95mm,45 #。
Equipment base: 45 # H type using welded steel plate.
Transmission: Gearbox drive.
Security: across the board with emergency stop buttons, easy to handle emergencies, to ensure that equipment and operator safety. And other gear in the chain and the staff could easily lead to injury transmission section covered with protective cover, to ensure the safety of workers.
Hydraulic Punch Machine /Follow shear
Hydraulic Punch machine
Follow shear (Cut style): Hydraulic cut(No blanking),Machine non-stop can cut product.
Knife material: Cr12, quenching hardness of up to HRC56-58 degrees.
Electrical Control System
The entire line imported PLC control, LCD touch screen, man-machine interface. People interact with the PLC. Operator setting the program to run automatically (programmable control) and control process monitoring, production line operator control and modify the control parameters, and real-time monitoring the equipment status & parameters and fault indication. Workpiece length digital setting, adjustable length can be adjustable as well. Real-time monitoring of equipment operating status and fault indication.
Operation manual / automatic two styles. With manual and automatic switching function: In the manual mode, can be stand-alone operation, easy maintenance; In automatic mode, carry out full production run, in order to start; across the board with emergency stop buttons, easy to handle emergencies, to ensure that equipment and operating personnel Safety.
Formed Expressway Guard Rail

Brand for accessorries
| No. | Name | manufacturer |
| 1 | Motor & Reducer | Domestic brands |
| 2 | The main key bearing | Domestic brands |
| 3 | Inverter | Shilin |
| 4 | PLC Systems | Siemens |
| 5 | Low-voltage electrical | Schneider |
| 6 | Encoder | Omron |
| 7 | touch screen | Siemens |
| 8 | Hydraulic system | Domestic brands |
Completed Guardrail Production line including Devices
| No. | Machine name | QTY | REMARK |
| 1 | Uncoiler | 1 | |
| 2 | Hydraulic machine | 1 | With mould |
| 3 | Guide device | 1 | |
| 4 | Forming machine | 1 | |
| 5 | Hydraulic machine | 1 | With mould |
| 6 | Follow Shear | 1 | Including knife |
| 7 | Collect rack | 1 | |
| 8 | Control system | 1 |
Product Features
Two wave, three wave roll forming machine advantage
1, Highway guard rail production line for producing w beam barrier, 3 wave barrier, guardrail board.
2, PLC control system, automatically and easy handle.
3, Gcr15 roller with quench process, hardness reach HRC60-65 ℃.
4,Tracking cutting system with Cr12 Cutting blade.
Guarantee of Quality
Superda guarantee highway guard rail roll forming line design accordance with clients required drawing, machine is brand new. Specification and performance as stipulated in drawing and operation with good smooth.
Model and Meaning
Highway barrier roll forming machine
Guard rail is steel material. It is a continuous structure in which corrugated steel guardrails are spliced to each other and supported by the main column. The effect of the vehicle on absorbing energy during its collision is not easy to be destroyed, and it can also protect the vehicle and the passengers.
YX85-310/506 design for highway, large parking lots, scenic spots, high-speed, provincial roads, and rural roads using guardrail.
According to the surface treatment, it is divided into two types: hot-dip galvanized wave guardrail and galvanized spray.
According to the setting location, it can be divided into a roadside guardrail and a central divider with a guardrail.
According to the anti-collision level, it can be divided into A level and S level. The S-class guardrail is of a reinforced type and is suitable for use on particularly dangerous road sections on the road construction. Class A is used for special roads. Commonly used roadside wave beam guardrails can be divided into five levels according to the anti-collision level: B, A, SB, SA, and SS.
Technical Parameters
Highway barrier machine main technical parameters:
1.Raw material request:cold rolled or hot rolled steel,galvanized steel
2.Material thickness:2-3mm
3.Whole line working speed:12m/min
4.We adopt cantilever type machine structure
5.20 forming stations
6.Motor power:2x18.5kw Siemens brand
7.Material max. thickness:2-3mm
8.The diameter of the shaft:75mm
9.Rollers material: GCr15,quenching treatment:HRC58-62°
10.Material of shaft:40Cr heat treatment
11.Driving system:gimbal+gear box
NAVIGATION
Tel: +86 755 2824 6186
Mob: +86 188 1435 5377
Fax: +86 755 2883 9980
E-mail: sales@superdamachine.com
Skype: live:demiwu2014
WhatsApp: +86 188 1435 5377